產品導航
聯系我們
新聞中心
支重輪結構圖
來源:李鋒 發布時間:2014-5-22
支重輪分解圖片

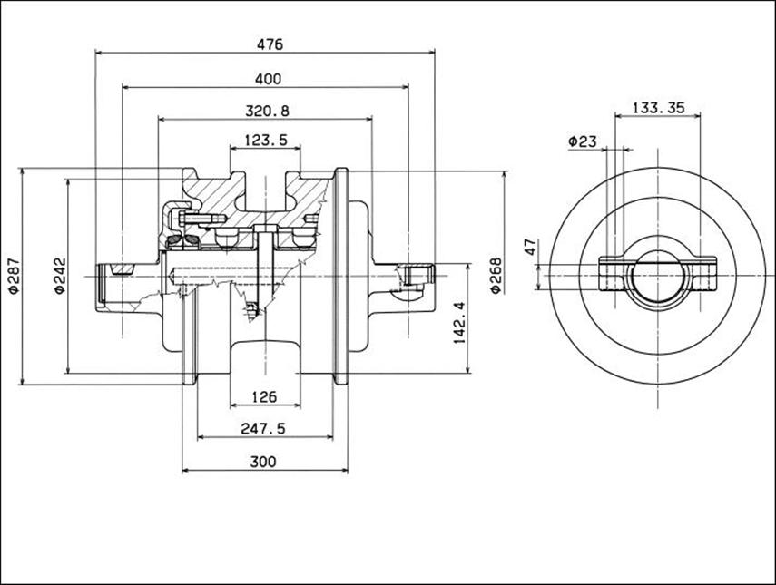
一種支重輪的外形尺寸

支重輪樣品

雙邊支重輪樣品

支重輪,是挖掘機與推土機底盤四輪一帶中的一種,它的主要作用是支撐著挖掘機與推土機的重量,讓履帶沿著輪子前進。
支重輪的主要結構:輪體、支重輪軸、軸套、密封圈、端蓋等相關部件構成。支重輪可分為單邊支重輪與雙邊支重輪;挖掘機用支重輪與推土機用支重輪,挖掘機用支重輪一般是黑色油漆,推土機支重輪一般是黃色油漆。
支重輪輪體材料一般45鋼、40Mn2、等材料,主要工藝鑄造或鍛造,機械加工,然后進行熱處理,輪子表面淬火后的硬度要達到HRC38左右,以增加輪子表面的耐磨性。支重輪軸的加工精度要求比較高,一般是需要數控機床進行加工才能達到要求。材料以40Mn2較多,加工后也要進行淬火熱處理,硬度達到HRC42左右。
支重輪容易出現在問題是:A、輪體磨損。出現這種情況的原因是采用的鋼材不合格或者說材料熱處理時的硬度較低,耐磨性不足;B、漏油。支重輪軸通過軸套一直在旋轉,輪體內要加油來潤滑,但如果說密封圈不好的話,很容易產生漏油的現象,這樣軸與軸套在無潤滑的情況下,很容易磨損,造成產品無法進行使用。因此,支重輪密封的好壞是作為衡量生產公司產品質量的一個很重要的標準。
上一篇: 公司大事記
下一篇: ☆ 2012年4月開發中聯重科70噸前后動力臂支撐和斗桿支座。
相關新聞


